Dati tecnici -> Termoresistenze
Principio di funzionamento


Termometri a resistenza di Platino (Pt)
Lo standard utilizzato da TERMOTECH per la costruzione dei termometri a resistenza di platino è riferito alla norma internazionale EN60751; a richiesta è possibile fornire elementi sensibili conformi ad altri standard quali ad esempio JIS C 1604 ecc.
Secondo lo standard EN 60751 per la costruzione dei termometri a resistenza è previsto l’utilizzo di platino con coefficiente di temperatura alfa = 3,851×10-3
La normativa EN 60751 prevede termoresistenze con valore nominale a 0 °C (Ro) compreso tra 5 e 1000 ohm; tuttavia i valori più comunemente utilizzati sono 100 ohm, 500 ohm e 1000 ohm.
La relazione che lega la resistenza alla temperatura t° (Rt) e la resistenza a 0° (Ro) è la seguente:
nel campo -200°C / 0 °C
Rt = Ro [ 1+At+Bt2+C (t-100) t3 ]
nel campo 0 °C / 850 °C
Rt = Ro (1+At+Bt2)
Dove i coefficienti A, B e C valgono:
A = 3,9083E-3
B = -5,775E-7
C = -4,183E-12
Le classi di precisione dei termometri a resistenza di platino sono riferite alla temperatura e sono così normalizzati:
Classe AA = 0,1+0,0017* | t | (°C)
Classe A = 0,15+0,002* | t | (°C)
Classe B = 0,3+0,005 | t | (°C)
Classe C = 0,6+0,01 | t | (°C)
Gli intervalli di temperatura di validità delle classi di tolleranza sopra esposte sono riportati nella tabella più avanti.
Tutti i termometri a resistenza con classe di tolleranza superiore alla B devono avere una configurazione a tre o quattro fili.
Termometri a resistenza di Nichel (Ni)
I termometri a resistenza di nichel sono normalizzati dalla norma tedesca DIN 43760.
A differenza del platino, il nichel ha un coefficiente di temperatura superiore (alfa = 6,17×10-3) che, sopperendo alla sua minore resistività elettrica, ne rende la sensibilità paragonabile a quella delle termoresistenze in platino.
La scarsa resistenza ll’ossidazione limita il campo di impiego dei termometri a resistenza di nichel nel campo di temperatura compreso tra -100°C e +200°C.
La relazione che lega la resistenza alla temperatura t° (Rt) e la resistenza a 0° (Ro) è la seguente:
nel campo -60°C / +180°C
Rt = Ro (1+ At + Bt2 + Ct4)
Dove i coefficienti A, B e C valgono:
A = 5,845E-03
B = 6,650E-06
C = 2,805E-11
È normalizzata una sola classe di precisione per i termometri a resistenza di nichel che è riferita alla temperatura:
Nel campo -60°C / 0°C: 0,4 + 0,028 | t | (°C)
Nel campo 0°C / 180°C: 0,4 + 0,007 | t | (°C)
Gli intervalli di temperatura di validità delle classi di tolleranza sopra esposte sono riportati nella tabella più avanti.
Tutti i termometri a resistenza con classe di tolleranza superiore alla B devono avere una configurazione a tre o quattro fili.
Metodi di misura con i termometri a resistenza
Esistono diversi metodi di collegamento dei termometri a resistenza con gli apparecchi di misura, la scelta di utilizzo di un metodo rispetto ad un altro dipende essenzialmente dalla precisione nella misura che si vuole ottenere.


Tecniche di collegamento delle termoresistenze
- A 2 fili
- A 3 fili
- A 4 fili voltamperometrica
- La tecnica a due fili è la meno precisa e viene utilizzata solo nei casi in cui il collegamento della termoresistenza viene effettuato con fili di lunghezza ridotta e con bassa resistività ; infatti esaminando il circuito elettrico equivalente, si nota come la resistenza elettrica misurata sia la somma di quella dell’elemento sensibile (e quindi dipendente dalla temperatura che si sta misurando) e della resistenza dei conduttori utilizzati per il collegamento.L’errore introdotto con questo tipo di misura non è costante ma dipende dalla temperatura.


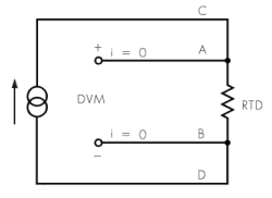
Collegamento a 2 fili - Grazie alla buona precisione ottenibile nella misura, la tecnica a tre fili è la più utilizzata in campo industriale.
Con questa tecnica di misura infatti vengono eliminati gli errori provocati dalla resistenza dei conduttori impiegati per il collegamento della termoresistenza; infatti all’uscita del ponte di misura è presente una tensione dipendente unicamente dalla variazione della resistenza del termometro a resistenza e quindi dalla sola temperatura.

Collegamento a 3 fili - La tecnica a quattro fili volt-amperometrica fornisce la migliore precisione possibile in senso assoluto; poco utilizzata nel campo industriale, viene utilizzata quasi esclusivamente nelle applicazioni di laboratorio.
Dal circuito elettrico equivalente si nota come la tensione rilevata sia unicamente dipendente dalla resistenza del termoelemento; la precisione nella misura dipende esclusivamente dalla stabilità della corrente di misura e dalla precisione della lettura della tensione ai capi del termoelemento.

Collegamento a 4 fili voltamperometrica
Costruzione dei termometri a resistenza
Esistono due tipologie costruttive per la termoresistenze: ad isolamento tradizionale o ad isolamento minerale MgO.
La tabella seguente mostra le principali caratteristiche delle due tipologie:
| # | Velocità di risposta | Isolamento elettrico | Resistenza alle vibrazioni | Resistenza alle pressioni |
|---|---|---|---|---|
| Isolamento tradizionale | Buono | Ottimo | Buono | Buono |
| Isolamento minerale (MgO) | Ottimo | Buono | Ottimo | Ottimo |
Termoresistenze ad isolamento tradizionale
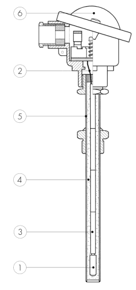
Le termoresistenze con isolamento tradizionale sono costituite da:
- elemento sensibile
L’elemento sensibile è la parte più importante di tutto l’assieme, un elemento sensibile di scarsa qualità
pregiudica il corretto funzionamento dell’intero sensore.
Questo, una volta connesso con i fili di collegamento, viene posto all’interno della guaina di protezione. Sono
disponibili elementi sensibili di diversa precisione e con doppio avvolgimento. - fili di collegamento
Il collegamento dell’elemento sensibile può essere effettuato a 2, 3 o 4-fili, il materiale degli stessi dipende
dalle condizioni di impiego della sonda. - isolatori ceramici
Gli isolatori ceramici servono a prevenire corti circuiti e isolano i fili di collegamento dalla guaina di
protezione. - riempitivo
Il riempitivo è composto da polvere di allumina finissima, essiccata e vibrata, la quale va a riempire qualunque
interstizio proteggendo quindi il sensore dalle vibrazioni. - guaina di protezione
La guaina di protezione serve per proteggere l’elemento sensibile e fili di collegamento.
Essendo a diretto contatto con il processo è importante che questa sia costituita dal giusto materiale e abbia
le giuste dimensioni.
In condizioni particolari è bene ricoprire la stessa con una ulteriore protezione (pozzetto termometrico). - testa di connessione
La testa di connessione contiene una morsettiera di materiale isolante (normalmente ceramica) che permette il
collegamento elettrico della termoresistenza; in funzione delle condizioni di impiego possono essere usate
custodie antideflagranti. Al posto della morsettiere è possibile installare un convertitore con uscita 4-20 mA.


Termoresistenze ad isolamento minerale MgO
- Elemento sensibile Con l’utilizzo di particolari tecniche, l’elemento sensibile viene collegato ai conduttori del cavo isolato in ossido minerale. In funzione delle diverse esigenze è possibile l’utilizzo di elementi sensibili doppi e/o con diverse precisioni.
- Fili di collegamento Il collegamento dell’elemento sensibile può essere effettuato a 2, 3 o 4-fili.
- Guaina con isolamento minerale Questa è composta da una guaina metallica esterna con all’interno i conduttori isolati tra loro e dalla guaina per mezzo di ossidi metallici purissimi e altamente compressi; l’isolamento standard è l’ossido di magnesio (MgO).
- Testa di connessione La testa di connessione contiene una morsettiera in materiale isolante (normalmente ceramica) che permette il collegamento elettrico della termoresistenza; in funzione delle condizioni di impiego possono essere utilizzate custodie antideflagranti. Al posto della morsettiera è possibile installare un convertitore con uscita 4-20 mA.

Principali cause di errore nelle misure con termoresistenze
La misura della temperatura con le termoresistenze è abbastanza semplice da eseguire rispetto a quella fatta con altri tipi di sensori.
Tuttavia è opportuno fare attenzione ad alcuni accorgimenti in modo da ovviare ad eventuali errori nella misura. Le principali cause di errore che si introducono nella misura della temperatura con le termoresistenze sono tre:
- Errore dovuto all’autoriscaldamento dell’elemento sensibile
- Errore dovuto allo scarso isolamento elettrico dell’elemento sensibile
- Errore dovuto alla non sufficiente profondità di immersione dell’elemento sensibile.
L’autoriscaldamento dell’elemento sensibile si ha, in fase di misura, quando questo viene attraversato da una corrente
troppo elevata che, per l’effetto Joule, ne fa’ aumentare la temperatura.
Questo innalzamento della temperatura è dipendente sia dal tipo di elemento sensibile utilizzato che dalle condizioni di
misura; infatti la stessa termoresistenza, a parità di temperatura, si auto riscalderà meno se viene posta in acqua
piuttosto che in aria; questo è dovuto al fatto che l’acqua ha un coefficiente di dissipazione più elevato rispetto
all’aria. Normalmente tutti gli apparecchi di misura che utilizzano come sensore delle termoresistenze hanno una
corrente di misura molto bassa tuttavia è buona norma non superare mai la corrente di misura di 1 mA (EN 60751).
Per una buona misura con le termoresistenze è molto importante che l’isolamento elettrico tra i conduttori e la guaina
esterna sia adeguatamente elevato soprattutto alle alte temperature.
La resistenza di isolamento può essere vista come una resistenza elettrica posta in parallelo a quelle dell’elemento
sensibile, risulta quindi evidente come, a temperatura costante, nel caso in cui l’isolamento elettrico diminuisca,
anche la tensione rilevata ai capi dell’elemento sensibile diminuirà introducendo quindi un errore nella misura.
L’abbassamento della resistenza di isolamento può verificarsi per l’utilizzo della sonda con temperature troppo elevate,
in presenza di forti vibrazioni o per l’influenza di agenti fisici o chimici.
Particolarmente importante per una buona misura è anche la profondità di immersione dell’elemento sensibile; questa, a
differenza che per le termocoppie la cui misura può considerarsi puntiforme, se non è adeguata, può arrecare errori
nella misura anche nell’ordine parecchi gradi °C. Questo è dovuto al fatto che la guaina, solitamente metallica, con cui
viene protetto l’elemento sensibile dissipa calore in maniera proporzionale alla differenza di temperatura presente tra
la zona calda e quella fredda; si è quindi in presenza di un gradiente termico su parte della lunghezza della guaina. La
profondità di immersione dovrà quindi essere sufficiente per fare in modo che l’elemento sensibile posto all’interno
della guaina, non sia sottoposto a questo gradiente termico.
Tale profondità minima dipenderà sia dalle condizioni fisiche di misura che dalle dimensioni della termoresistenza
(lunghezza dell’elemento ecc.)
Tabella di riferimento
Termoresistenza tipo Ni100 ohm 0°C secondo DIN 43760 (IPTS 68)
| °C | 0 | -10 | -20 | -30 | -40 | -50 | -60 | -70 | -80 | -90 | °C |
|---|---|---|---|---|---|---|---|---|---|---|---|
| Ohm | |||||||||||
| 0 | 100,0 | 94,6 | 89,3 | 84,2 | 79,1 | 74,3 | 69,5 | 0 | |||
| °C | 0 | -10 | -20 | -30 | -40 | -50 | -60 | -70 | -80 | -90 | °C |
| °C | 0 | 10 | 20 | 30 | 40 | 50 | 60 | 70 | 80 | 90 | °C |
|---|---|---|---|---|---|---|---|---|---|---|---|
| Ohm | |||||||||||
| 0 | 100,0 | 105,6 | 111,2 | 117,1 | 123,0 | 129,1 | 135,3 | 141,7 | 148,3 | 154,9 | 0 |
| 100 | 161,8 | 168,8 | 176,0 | 183,3 | 190,9 | 198,7 | 206,6 | 214,8 | 223,2 | 100 | |
| °C | 0 | 10 | 20 | 30 | 40 | 50 | 60 | 70 | 80 | 90 | °C |
Termoresistenza tipo Pt100 ohm 0°C secondo EN 60751
| °C | 0 | -10 | -20 | -30 | -40 | -50 | -60 | -70 | -80 | -90 | °C |
|---|---|---|---|---|---|---|---|---|---|---|---|
| Ohm | |||||||||||
| -200 | 18,49 | 14,45 | 10,49 | 6,99 | 4,26 | 2,51 | -200 | ||||
| -100 | 60,26 | 56,19 | 52,11 | 48,00 | 43,88 | 39,72 | 65,54 | 31,34 | 27,10 | 22,83 | -100 |
| 0 | 100,0 | 96,09 | 92,16 | 88,22 | 84,27 | 80,31 | 76,33 | 72,33 | 68,33 | 64,30 | 0 |
| °C | 0 | -10 | -20 | -30 | -40 | -50 | -60 | -70 | -80 | -90 | °C |
| °C | 0 | 10 | 20 | 30 | 40 | 50 | 60 | 70 | 80 | 90 | °C |
|---|---|---|---|---|---|---|---|---|---|---|---|
| Ohm | |||||||||||
| 0 | 100,00 | 103,90 | 107,79 | 111,67 | 115,54 | 119,40 | 123,24 | 127,08 | 130,90 | 134,71 | 0 |
| 100 | 138,51 | 142,29 | 146,07 | 149,83 | 153,58 | 157,33 | 161,05 | 164,77 | 168,48 | 172,17 | 100 |
| 200 | 175,86 | 179,53 | 183,19 | 186,84 | 190,47 | 194,10 | 197,71 | 201,31 | 204,90 | 208,48 | 200 |
| 300 | 212,05 | 215,61 | 219,15 | 222,68 | 226,21 | 229,72 | 233,21 | 236,70 | 240,18 | 243,64 | 300 |
| 400 | 247,09 | 250,53 | 253,96 | 257,38 | 260,78 | 264,18 | 267,56 | 270,93 | 274,29 | 277,64 | 400 |
| 500 | 280,98 | 284,30 | 287,62 | 290,92 | 294,21 | 297,49 | 300,75 | 304,01 | 307,25 | 310,49 | 500 |
| 600 | 313,71 | 316,92 | 320,12 | 323,30 | 326,48 | 329,64 | 332,79 | 335,93 | 339,06 | 342,18 | 600 |
| 700 | 345,28 | 348,38 | 351,46 | 354,53 | 357,59 | 360,64 | 363,67 | 366,70 | 369,71 | 372,71 | 700 |
| 800 | 375,70 | 378,68 | 381,65 | 384,60 | 387,55 | 390,48 | 800 | ||||
| °C | 0 | 10 | 20 | 30 | 40 | 50 | 60 | 70 | 80 | 90 | °C |
Tolleranze standard per i termometri a resistenza
Termoresistenza tipo Pt100 ohm 0°C secondo EN 60751
| Classe di tolleranza | Intervallo di temperatura di validità °C | Valori di tolleranza °C | |
|---|---|---|---|
| Resistori a filo avvolto | Resistori a film | ||
| AA | -50 ÷ +250 | -0 ÷ +150 | ±(0,1 + 0.0017 *| t |) |
| A | -100 ÷ +450 | -30 ÷ +300 | ±(0,15 + 0.002 *| t |) |
| B | -196 ÷ +600 | -50 ÷ +500 | ±(0,3 + 0.005 *| t |) |
| C | -196 ÷ +600 | -50 ÷ +600 | ±(0,6 + 0.001 *| t |) |
| t |= valore assoluto della temperatura, espresso in °C, indipendente dal segno
Possono essere definite anche classi di tolleranza speciali per intervalli di temperature estesi o limitati
Termoresistenza tipo Ni100 ohm 0°C (DIN 43760)
| Temp. °C | 0,4+0,07*| t | (°C) 0 °C<t<180 °C 0,4+0,028*| t | (°C) -60 °C<t<0 °C | |
|---|---|---|
| Ohm | °C | |
| -60 | ±1,00 | ±2,10 |
| 0 | ±0,20 | ±0,40 |
| 100 | ±0,80 | ±1,10 |
| 180 | ±1,30 | ±1,70 |
| t | = Temperatura (°C)